
精準的鎖模系統,杰出的能效,高效的伺服驅動,都能滿足所有需求。以客戶產品為中心,為客戶提供整套技術解決方案,并為全球客戶創造更佳的投資回報和客戶體驗。
◆ 鎖模四段控制頂出、二段控制開鎖模頂出均采用線性電子尺傳感器,精密度達0.01mm;
◆ 可以準確控制鎖模和頂出,可以選擇震動頂出,停頓多次頂出或搭配電眼檢出機鉸潤滑,采用電腦控制自動潤滑;
◆ 可由電腦設定和監控并具備有警報功能保護機械正常運行。
同步液壓精密調模機構液壓馬達驅動,中心定位齒輪調模,使調模運行為更順暢快捷。
高剛性正四方箱型模板保證模具受力均勻,注塑無毛邊延長模具壽命。
節能高響應油路設計,速度靈敏,節能率20%~50%消耗電費大幅遞減。
鎖模單元


高精密

高剛性

高響應
陽鑫天王星YS系列秉持臺灣先進的設計理念,突破傳統射出機的技術瓶頸,有效提升了成型精度,延長機器使用壽命大幅度降低了消耗!專業化和射出解決方案,針對各種原料和工藝提供齊全的專業螺桿料筒組合,并可提供多種材質供客戶選擇,提升用戶產品品質。
射座和射膠全部采用線性導軌,高精度低摩擦系數,運行更平穩,調整靈敏。更有利于低粘度及高溫材料的注塑成型,射移支架整體鑄造,整體射臺的鋼性增強。
采用雙射移結構,前拉式射臺油缸,平行牽引,保持噴嘴與模具接觸不偏移密封佳,不易漏膠。
注塑單元

高精度

高穩定
◆ 采用臺灣制造先進的微電腦控制器400兆高速CPU可搭配半閉及全閉回路油壓系統;
◆ 加上人性化圖形操作介面,線上曲線檢測功能及中央網路連線管理;
◆ 豐富的 SPC 品質管理介面,利于生產高精度產品為用戶提高加值利潤。
◆ 具備六段射出,三段保壓,二段松退及保壓位置切換控制等功能;
◆ 可以根據產品需要靈活調整,精確之射出終點及保壓位置切換,實現高精密,高穩定性之射出性能;
◆ 射出采用線性電子尺,精度達 0.01mm ,可準確控制射出行程,可記錄并同時顯示連續生產過程抽樣溫度曲線,射出終點;
◆ 保壓切換點,保壓完成點曲線,并有歷史曲線比對功能,精度達 0.1mm ,系統穩定性一目了然;
◆ 六段 PID 溫度控制,精度可達± 1? ,并具備溫度異常斷線警報及上下限制設立功能,可精確掌控料溫;
◆ 螺桿低溫起動保護,防止螺桿意外損傷,可調定時預熱功能,實時保溫及料管自動加溫功能,自動洗料功能。
微電腦控制器

伺服動力系統構成圖&伺服電機
耗電量比較

驅動技術

技術參數
| 項目 | 單位 | YS-200 | |||
| 射 出 單 元 | 螺桿直徑 | mm | Φ44 | Φ50 | Φ54 |
| 理論射出容積 | cm3 | 342 | 442 | 515 | |
| 射出量 | gram | 305 | 394 | 460 | |
| ozs | 10.8 | 13.9 | 16.2 | ||
| 射膠壓力 | kg/cm2 | 2440 | 1890 | 1620 | |
| 射出速度 | mm/s | 96 | |||
| 射出率 | cm3/sec | 145 | 188 | 219 | |
| 螺桿轉速 | rpm | 200 | |||
| 夾 模 單 元 | 閉模力 | metrictons | 510 | ||
| 夾模行程 | mm | 160-610 | |||
| 模厚 | mm | 332*332 | |||
| 建議最小模具尺寸 | mm | 510*510 | |||
| 大柱內距 | mm | 745*745 | |||
| 模盤尺寸 | mm | 130 | |||
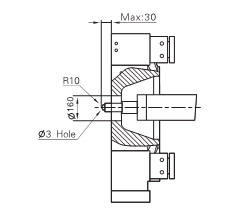
| 托模行程 | mm | 21.2 | |||
| 電 氣 單 元 | 電機馬達 | kw | (0-400C)*5 | ||
| 溫度控制器 | (range)set | 14.4 | |||
| 電熱容量 | kw | 6080*1250*1860 | |||
| 其 他 | 機械尺寸 | mm | 340 | ||
| 機械重量 | metric tons | 7.5 | |||
| 最高系統壓力 | kg/cm2 | 140 | |||
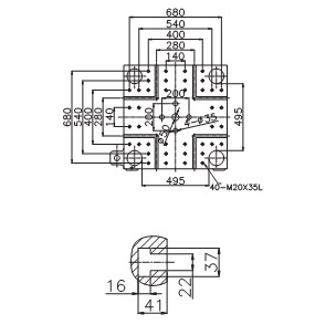
| 固定模板正面尺寸 | ![]() | ||||
| 模板側面尺寸 | ![]() | ||||
注:本產品參數射出量按聚苯乙烯比重1.05,假設效率0.88計算,因產品不斷研究改良,設計變更時,恕不另作通知。

>




